
特征
- 曲柄型二爪同步夹具,爪行程长。
- 折动面均经硬化及精密研磨,并直接润滑。
- 高夹持精度,防尘效果特佳。
规格
| 型号 | 活塞面积-押侧 cm2 | 活塞面积-拉侧 cm2 | 爪行程(直径) (mm) | 最大夹持能力 (mm) | 最大夹持力 kN (kgf) | 最大使用压力 MPa(kgf/cm2) | 重量 (kg) | 
|---|---|---|---|---|---|---|---|
| CP-20 | 28.27 | 25.13 | 20 | 150 | 14.4(1465) | 3.5(35) | 9.5 | 
| CP-30A | 28.27 | 25.13 | 30 | 180 | 14.4(1465) | 3.5(35) | 11 | 
| CP-30 | 28.27 | 25.13 | 30 | 210 | 14.4(1465) | 3.5(35) | 12 | 
| CP-40 | 28.27 | 25.13 | 40 | 200 | 14.4(1465) | 3.5(35) | 12 | 
| CP-50 | 38.48 | 33.57 | 50 | 215 | 17.7(1812) | 3.5(35) | 18.5 | 
| CP-70 | 50.26 | 45.35 | 70 | 235 | 23.9(2434) | 3.5(35) | 30 | 
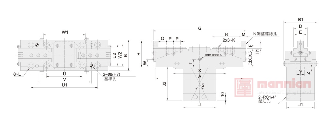
尺寸

* 保留规格修改的权利
| 型号 | A | B | B1 | C | D | E(h6) | F | G max. | G min. | H | H1 | J | J1 | J2 | K | L | M | N | P | Q | R | S | T | U | U1 | U2 | V | W | W1 | W2 | X | Y | Z | 
|---|---|---|---|---|---|---|---|---|---|---|---|---|---|---|---|---|---|---|---|---|---|---|---|---|---|---|---|---|---|---|---|---|---|
| CP-20 | 215 | 88 | 96 | 53 | 40 | 18 | 4 | 249 | 229 | 75 | 13 | 94 | 76 | 83.5 | M10x1.5 | M10 | 12 | M6x1 | 18 | 20 | 66 | 24 | 22 | 102 | 190 | 60 | 156 | 32 | 110 | 65 | 150 | 22 | 4 | 
| CP-30A | 250 | 88 | 96 | 53 | 40 | 18 | 4 | 295 | 265 | 75 | 13 | 94 | 76 | 96 | M10x1.5 | M10 | 14 | M6x1 | 20 | 24 | 96 | 24 | 22 | 102 | 190 | 60 | 156 | 20 | 120 | 65 | 156 | 22 | 6 | 
| CP-30 | 280 | 88 | 96 | 53 | 40 | 22 | 4 | 327 | 297 | 75 | 13 | 94 | 76 | 96 | M12x1.75 | M10 | 14 | M6x1 | 20 | 24 | 98 | 24 | 22 | 102 | 190 | 60 | 156 | 23 | 110 | 65 | 156 | 22 | 6 | 
| CP-40 | 270 | 88 | 96 | 53 | 40 | 22 | 4 | 331 | 291 | 75 | 13 | 94 | 76 | 110 | M12x1.75 | M10 | 14 | M6x1 | 20 | 24 | 98 | 24 | 22 | 102 | 190 | 60 | 156 | 25 | 110 | 65 | 150 | 22 | 10.5 | 
| CP-50 | 300 | 110 | 115 | 65 | 50 | 28 | 5 | 369 | 319 | 90 | 15 | 105 | 105 | 120 | M12x1.75 | M10 | 16 | M8x1.25 | 21 | 28 | 102 | 30 | 32 | 105 | 230 | 85 | 195 | 29 | 140 | 80 | 180 | 30 | 10 | 
| CP-70 | 346 | 120 | 126 | 89 | 55 | 32 | 5 | 430 | 360 | 114 | 15 | 115 | 115 | 146 | M14x2 | M12 | 16 | M8x1.25 | 23 | 28 | 112 | 30 | 52 | 120 | 275 | 95 | 240 | 42 | 155 | 90 | 210 | 34 | 23.5 | 
免责声明:
• 本网站涉及的所有内容,包括但不限于产品名称、商标、图片、视频以及为用户提供的任何或所有信息的知识产权归其权利人所有。
• 本网站提供的产品实物图和尺寸图,均为示意图仅供参考,最终以厂家提供的实物为准。
• 我们重视知识产权保护,如有任何侵权行为,请及时联系我们,我们将立即采取行动予以删除或断开链接。
    • 本网站涉及的所有内容,包括但不限于产品名称、商标、图片、视频以及为用户提供的任何或所有信息的知识产权归其权利人所有。
• 本网站提供的产品实物图和尺寸图,均为示意图仅供参考,最终以厂家提供的实物为准。
• 我们重视知识产权保护,如有任何侵权行为,请及时联系我们,我们将立即采取行动予以删除或断开链接。
