
特征
- 适合钻床、铣床或切削中心机使用。
- 高精度及高刚性结构。
- 不需要另外搭配立式油压缸。
- 安装容易,接上配管即可进行加工。
- 搭配 RG 系统橡胶筒夹,换模简便快速。
- 提供侧边配管与底部油路板两种供油模式。
规格
| 型号 | 爪行程 (直径) (mm) | 最大夹持能力 圆棒 (mm) | 最大夹持能力 六角材 (mm) | 最大夹持能力 方材 (mm) | 最大夹持力 氣壓 kN(kgf) | 最大夹持力 油壓 kN(kgf) | 最大使用压力 氣壓 MPa(kgf/cm2) | 最大使用压力 油壓 MPa(kgf/cm2) | 重量 (kg) | 使用筒夹 |
|---|---|---|---|---|---|---|---|---|---|---|
| SCB-52 | ±0.5 | 4~52 | 7~36 | 7~45 | 8.2(837) | 101(10300) | 0.6(6) | 4.0(40) | 8.6 | RG-52 |
| SCB-65 | ±0.5 | 4~65 | 8~46 | 8~56 | 10(1020) | 105(10700) | 0.6(6) | 4.2(42) | 10.2 | RG-65 |
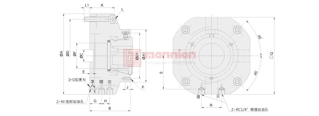
尺寸

* 保留规格修改的权利
| 型号 | A(g6) | A1 | B | C | D | D1 | E | F | G | H | J | K | L | L1 | M | N | P | Q | R | S |
|---|---|---|---|---|---|---|---|---|---|---|---|---|---|---|---|---|---|---|---|---|
| SCB-52 | 175 | 110 | 84.5 | 25 | 152 | 95 | 7 | 53 | 24.5 | 17 | 10 | 51.5 | 4~M10 | 12 | 10.2 | P7 | 3~M6x12 | 160 | 42 | 69.5 |
| SCB-65 | 192 | 130 | 94 | 30 | 169 | 114 | 9 | 66 | 26.5 | 20 | 10 | 61.5 | 4~M10 | 12.5 | 10.2 | P7 | 3~M6x12 | 175 | 50 | 77 |
免责声明:
• 本网站涉及的所有内容,包括但不限于产品名称、商标、图片、视频以及为用户提供的任何或所有信息的知识产权归其权利人所有。
• 本网站提供的产品实物图和尺寸图,均为示意图仅供参考,最终以厂家提供的实物为准。
• 我们重视知识产权保护,如有任何侵权行为,请及时联系我们,我们将立即采取行动予以删除或断开链接。
• 本网站涉及的所有内容,包括但不限于产品名称、商标、图片、视频以及为用户提供的任何或所有信息的知识产权归其权利人所有。
• 本网站提供的产品实物图和尺寸图,均为示意图仅供参考,最终以厂家提供的实物为准。
• 我们重视知识产权保护,如有任何侵权行为,请及时联系我们,我们将立即采取行动予以删除或断开链接。