

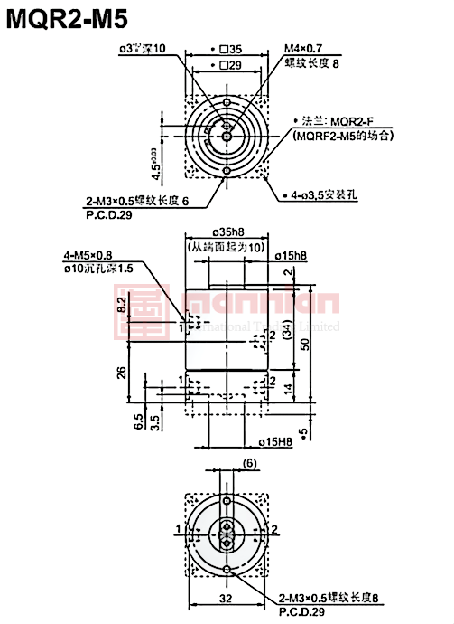
详细信息
电路数: 1 至 16 个电路。
使用寿命: 10 亿次旋转。
允许的转速: 200 至 3000 。
工作压力范围: -100 kpa 至 1.0 mp

技术参数
| 属性 | 数值 |
|---|---|
| 螺纹连接 | M5 x 0.8 |
| 螺纹连接 – 螺纹尺寸 | M5 x 0.8 |
| 厂家系列 | MQR |
| 材料 | 铝 |
| 最大操作压力 | 1 MPa |
| 最低工作温度 | -10°C |
| 最高工作温度 | +80°C |
资料下载
气动旋转接头
气动旋转接头是什么?
气动旋转接头是将气体介质从静态系统输入到动态旋转系统的过渡连接密封装置。气动旋转接头组件包括接头、过滤器、电磁阀、气缸、真空设备、气管等。
气动旋转接头的用途
气动旋转接头主要用于冶金机械,轧路机械,造纸机械,建筑机械等众多行业。
• 本网站涉及的所有内容,包括但不限于产品名称、商标、图片、视频以及为用户提供的任何或所有信息的知识产权归其权利人所有。
• 本网站提供的产品实物图和尺寸图,均为示意图仅供参考,最终以厂家提供的实物为准。
• 我们重视知识产权保护,如有任何侵权行为,请及时联系我们,我们将立即采取行动予以删除或断开链接。